| TopPage | 西新潟クラブ | 更新履歴 | 情報,資料 | 製作実験 | 通信実験 | リンク(国内) | リンク(国外) |
| PLLドレーク 局発Ver-2 の製作 de JA0DFR Jan/28/2006 |
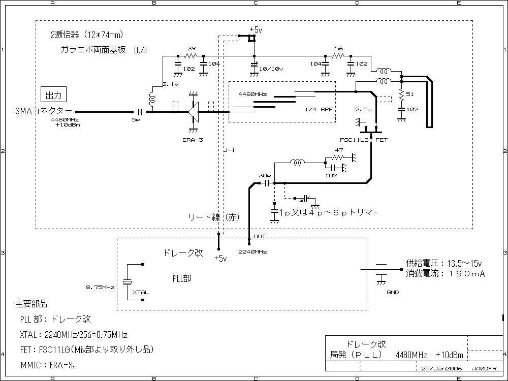
4480MHz : 4480MHz局発(+10dBm) セブロン電子製局発(2GHz帯)に2逓倍基板を壁面に取り付け、 4480MHz +10dBm 出力を同アルミケース内に 仕上げました。 回路構成は、いつもの2逓倍器と同等でドレーク(改)の2GHz帯出力から FET(FSC11LG等)で 2逓倍し、1/4λのBPFを通して、 4480MHzだけを取り出してMMICの単電源で増幅した方法です。 説明(PDF) 回路図 特性1 特性2 浅妻 久和(Hi.Asatsuma) JA0DFR-JR0YGW |