2400MHzパワーアンプ (製作 JA0HJC)

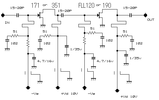
ドライブ   FLL171  Vd 10V
ファイナル FLL190  Vd 13.5V
FLL171-FLL351基板使用(セブロン電子製)
ケ−ス RX用(セブロン電子製)

  * -Vgは-0.5〜-1.7Vでそれぞれ調整
  * ゲート用のマイナス電源はDC-DC(out 5V)コンバーターに半固定抵抗を使用。
   または、マイナス電源基板キットはセブロン電子へ問い合わせてください。

                      回路図

入出力特性
IN (mW)              OUT (W)
1.4                    0.21
9.2                    1.35
12.5                  1.7
14                     2.1
19                    2.6
23                    3.46
29                    4.08
36                    5.1
46                    6.3
58                    8.4
73                   10.8
90                   14.2
113                 16.6
142                 17

ここで使用したアンプについての問い合わせは西新潟クラブ事務局まで