10GHz パワーアンプ de JA0BQU
10.24GHz
in 200mW->(1011-2)-->(1011-4)-->out
4.2W
Vcc: 8.5V Id: 2.4A Vg :-1.3〜1.5V
スタブを3箇所つけた。
1011-2、1011-4と貫通コンデンサーとSMA-Rは、いづれもJUNK取り外し品
ケースと基板はセブロン電子より購入。
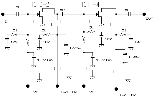
回路図

ここで使用したJUNK取り外し品についての問い合わせは西新潟クラブ事務局まで